Toro Lv195Ea Manual

Toro Lv195Ea Manual. Groundsmaster® 360 (with kubota engine). 4.5 4.5 out of 5 stars (355) 50+ bought in.

toro lv195ea manual
toro lv195ea manual from manualguidepdf.z21.web.core.windows.net

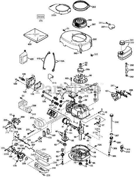
Kizutcarburetor for tecumseh lv195ea lv195xa lev100 lev105 levtorolawn boy lawn mower craftsman mtd yard machines 5. 4.5 4.5 out of 5 stars (355) 50+ bought in. All brands » engines briggs & stratton horizontal engines.

Web Access To All Service Manuals Pertinent To Your Fleet Is Available By Subscribing To Toro Myturf.


Web related manuals for toro 22in recycler 20074. Web related manuals for toro 20016. All brands » engines briggs & stratton horizontal engines.

For Tecumseh, Honda, Kohler And Briggs & Stratton Engine Parts, Please.


Groundsmaster® 360 (with kubota engine). Walk behind power mower drive systems (144 pages). 4.5 4.5 out of 5 stars (355) 50+ bought in.

Web Tecumseh Power By Lauson


Web this is the twentieth video in a series where i will show how i tear down and rebuild a tecumseh lv195ea engine. Search for parts, manuals, accessories, specifications and product details. Briggs & stratton vertical engines.

Lawn Mower Toro 22In Recyler Manual (60 Pages) Lawn Mower Toro Recycler 22In 20333 Operator's Manual.


Web we have 1 tecumseh lv195xa manual available for free pdf download: Briggs & stratton vertical engines. Kizutcarburetor for tecumseh lv195ea lv195xa lev100 lev105 levtorolawn boy lawn mower craftsman mtd yard machines 5.

Web Harbot Lv195Ea 640350 Carburetor For Toro 20016 20017 20018 20072 20071 20070 20074 20007 22 Inch Recycler Lawn Mower.


All brands » engines briggs & stratton horizontal engines. This engine will be mounted on a lawn boy mo.